- Modell: 1331080-10 hoch
- Artikel-Nr.: 10238327
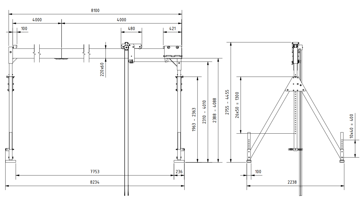
- Traglast: 1.000 kg
- Einhängepunkt am Bolzen der Laufkatze: hoch: min. 2.310 mm / max. 4.010 mm
- Trägerlänge (absolut): 8.000 mm
| 6.075,00 € |
Lieferzeit ca. 5-10 Werktage
Beim Alu-Portalkransystem handelt es sich um eine sehr mobile, flexible, höhen- und längenverstellbare, freistehende Konstruktion. Der Alu-Portalkran kann innerhalb kürzester Zeit und mit relativ wenigen Handgriffen auf- und abgebaut werden. Es sind keinerlei bauliche Veränderungen (z.B. Dübelbesfestigungen oder ähnliches) notwendig. Leichtbau, mit extrem hoher Stabilität.
In der stationären Ausführung können die vier Verstellfüße einzeln und unabhängig voneinander in der Höhe eingestellt und somit optimal an die örtlichen Gegebenheiten angepasst werden. Absolute Standsicherheit für sämtliche Lastanwendungen.
Die Summe guter Ideen und durchdachter Detaillösungen ergeben ein stimmiges Gesamtbild. So wird ein SCHILLING-Portalkran zu dem was er ist. Ein perfektes Werkzeug für den professionellen Einsatz. Extrem leichte Handhabung durch konsequente Leichtbauweise in Aluminium in Verbindung mit höchster Stabilität und Arbeitssicherheit. Schwere Lasten leicht bewegt, die Handhabung der SCHILLING-Kransysteme ist denkbar einfach und auf den Punkt genau:
- Platzsparende Lagerung durch klapp- und teilbare Krankomponenten,
- einfacher und schneller Aufbau mit minimalem Personaleinsatz, es wird kein Werkzeug benötigt,
- problemloser Transport zum Einsatzort durch kompaktes Packmaß.
- Lieferung mit Teil- bzw. steckbarer Alu-Träger: Die beiden geteilten Trägerstücke können auch wiederum als einzelner Alu-Träger verwendet werden.
Auf Anfrage erhältlich:
- Zubehör wie Vollgummiräder für den Außeneinsatz, zusätzliche Laufkatzen, Wandkonsolen, Transportwagen und -kisten, Hebezeuge,
- von der Standard-Trägerteilung abweichende Trägerteilungen .
- Die Länge des umlaufenden Bandes ist abhängig von der Höhe des Alu-Portalkrans sowie der Trägerlänge.
- Mit integrierter Klemmplatte an den beiden Enden des Bandes. Diese Komponente dient zur Gewichtsbeschwerung des umlaufenden Bandes.
- Mit integrierter Klemmvorrichtung an den beiden Stirnseiten des Alu-Trägers (Einzelträger).
- Das umlaufende Band erhält somit die nötige Spannkraft, d.h. der Bereich unter der feststellbaren Laufkatze ist frei.
Der Anwender steht außerhalb des Gefahrenbereichs, um von dort aus die Laufkatze auf dem Alu-Träger/dem Alu-Doppelträger bewegen zu können. Dies stellt eine enorme Arbeitserleichterung für den Anwender dar.
Verkabelung & Stromzuführung (optional):
- Der Alu-Portalkran wird anschluß- und betriebsfertig ausgeliefert.
- Inkl. Prüfprotokoll elektrischer Geräte gemäß DIN VDE 0701/0702, BetrSichV, BGV A 3 (ausgestellt durch unseren Elektromeister-Betrieb).
- Drehstrom 400V/16A, 50 Hz , 5-polig mit Schalter (Standardausführung).
- Phasenwender CEE-Anschluß, 5-polig.
- PUR-Wendelleitung.
- Der elektrische Anschluß des Kettenzugs erfolgt über eine Steckvorrichtung, 6-polig. (Schutzart nach DIN EN 60 529 IP66).
- Alle elektrischen Komponenten sind unter normalen Betriebsbedingungen für den Innen- und Außenbereich geeignet.
- Achtung: Beim Betrieb des elektrifizierten Alu-Portalkrans im Außenbereich ist darauf zu achten, dass diese an einen Stromkreis mit entsprechendem FI-Schutzschalter angeschlossen werden. Bitte achten Sie darauf, dass bei der Aufbewahrung kein Wasser in den Hauptschalter der Verkabelung/Stromzuführung eindringt (Korrosionsgefahr/Funktionsstörung).
- Im Preis sind die Montage, die Inbetriebnahme und, soweit notwendig, Bindeglieder enthalten.
- 2 Stück Seitengestell, klappbar
- mit 2 höhenverstellbaren Trägerstützen aus Aluminium-Sonderprofil, Rastermaß 50 mm,
- mit 4 Verstellfüßen aus Aluminium-Sonderprofil, Rastermaß 40 mm,
- die Seitengestelle lassen sich mühelos zusammenklappen und können somit platzsparend verstaut, aufbewahrt und transportiert werden,
- 1 Stück Aluminium-Sonderprofil-Träger,
- 1 Stück feststellbare Laufkatze: In die Laufkatze wird z.B. das Hebezeug oder entsprechende Hebebänder eingehängt. Die Laufkatze ist auf dem Alu-Träger stufenlos verschiebbar und an jeder Position arretierbar,
- 2 Stück Anschlagpuffer: Anfahrschutz für die Laufkatze,
- 1 Stück integrierter Horizontalversteller
- durch den Einsatz des Horizontalverstellers lässt sich die nutzbare Länge des Alu-Portalkrans zwischen den Seitengestellen stufenlos verschieben,
- die Laufbahnlänge des Alu-Trägers ist variabel, dies stellt einen deutlichen Mehrwert sowie eine hohe Flexibilität für den Anwender dar.
| Einhängepunkt am Bolzen der Laufkatze: | hoch: min. 2.310 mm / max. 4.010 mm |
| Trägerlänge (absolut): | 8.000 mm |
| Gesamthöhe min. / max. (mm): | 2.755 / 4.455 |
| Unterkante Alu-Träger min. / max. (mm): | 2.388 / 4.088 |
| Verstellbereich Trägerstütze / Verstellfuß (mm): | 1.300 / 400 |
| Seitengestell Breite (mm): | 2.238 |
| Gewicht (kg): | 245 |
| Einhängepunkt am Bolzen der Laufkatze | Traglast | Trägerlänge (absolut) | Einhängepunkt am Bolzen der Laufkatze | Trägerlänge (absolut) | Gesamthöhe min. / max. (mm) | Unterkante Alu-Träger min. / max. (mm) | Verstellbereich Trägerstütze / Verstellfuß (mm) | Seitengestell Breite (mm) | Gewicht (kg) | |
|---|---|---|---|---|---|---|---|---|---|---|
| Konfiguration öffnen | mittel: min. 1.730 mm / max. 2.980 mm | 1.000 kg | 6.000 mm | mittel: min. 1.730 mm / max. 2.980 mm | 6.000 mm | 2.175 / 3.425 | 1.808 / 3.058 | 850 / 400 | 1.736 | 141 |
| Konfiguration öffnen | klein: min. 1.249 mm / max. 2.349 mm | 1.000 kg | 5.000 mm | klein: min. 1.249 mm / max. 2.349 mm | 5.000 mm | 1.695 / 2.795 | 1.327 / 2.427 | 700 / 400 | 1.297 | 127 |
| Konfiguration öffnen | mittel: min. 1.730 mm / max. 2.980 mm | 500 kg | 4.000 mm | mittel: min. 1.730 mm / max. 2.980 mm | 4.000 mm | 2.175 / 3.425 | 1.808 / 3.058 | 850 / 400 | 1.736 | 116 |
| Konfiguration öffnen | klein: min. 1.249 mm / max. 2.349 mm | 1.500 kg | 4.000 mm | klein: min. 1.249 mm / max. 2.349 mm | 4.000 mm | 1.695 / 2.795 | 1.327 / 2.427 | 700 / 400 | 1.297 | 116 |
| Konfiguration öffnen | klein: min. 1.249 mm / max. 2.349 mm | 1.000 kg | 6.000 mm | klein: min. 1.249 mm / max. 2.349 mm | 6.000 mm | 1.695 / 2.795 | 1.327 / 2.427 | 700 / 400 | 1.297 | 133 |
| Konfiguration öffnen | hoch: min. 2.310 mm / max. 4.010 mm | 1.000 kg | 6.000 mm | hoch: min. 2.310 mm / max. 4.010 mm | 6.000 mm | 2.755 / 4.455 | 2.388 / 4.088 | 1.300 / 400 | 2.238 | 193 |
| Konfiguration öffnen | klein: min. 1.249 mm / max. 2.349 mm | 1.000 kg | 7.000 mm | klein: min. 1.249 mm / max. 2.349 mm | 7.000 mm | 1.695 / 2.795 | 1.327 / 2.427 | 700 / 400 | 1.297 | 174 |
| Konfiguration öffnen | hoch: min. 2.310 mm / max. 4.010 mm | 1.000 kg | 7.000 mm | hoch: min. 2.310 mm / max. 4.010 mm | 7.000 mm | 2.755 / 4.455 | 2.388 / 4.088 | 1.300 / 400 | 2.238 | 236 |
| Konfiguration öffnen | mittel: min. 1.730 mm / max. 2.980 mm | 1.000 kg | 7.000 mm | mittel: min. 1.730 mm / max. 2.980 mm | 7.000 mm | 2.175 / 3.425 | 1.808 / 3.058 | 850 / 400 | 1.736 | 181 |
| Konfiguration öffnen | hoch: min. 2.310 mm / max. 4.010 mm | 500 kg | 4.000 mm | hoch: min. 2.310 mm / max. 4.010 mm | 4.000 mm | 2.755 / 4.455 | 2.388 / 4.088 | 1.300 / 400 | 2.238 | 169 |
| Konfiguration öffnen | klein: min. 1.249 mm / max. 2.349 mm | 1.000 kg | 8.000 mm | klein: min. 1.249 mm / max. 2.349 mm | 8.000 mm | 1.695 / 2.795 | 1.327 / 2.427 | 700 / 400 | 1.297 | 185 |
| Konfiguration öffnen | mittel: min. 1.730 mm / max. 2.980 mm | 1.500 kg | 4.000 mm | mittel: min. 1.730 mm / max. 2.980 mm | 4.000 mm | 2.175 / 3.425 | 1.808 / 3.058 | 850 / 400 | 1.736 | 123 |
| Konfiguration öffnen | hoch: min. 2.310 mm / max. 4.010 mm | 1.000 kg | 4.000 mm | hoch: min. 2.310 mm / max. 4.010 mm | 4.000 mm | 2.755 / 4.455 | 2.388 / 4.088 | 1.300 / 400 | 2.238 | 176 |
| Konfiguration öffnen | hoch: min. 2.310 mm / max. 4.010 mm | 1.000 kg | 5.000 mm | hoch: min. 2.310 mm / max. 4.010 mm | 5.000 mm | 2.755 / 4.455 | 2.388 / 4.088 | 1.300 / 400 | 2.238 | 189 |
| Konfiguration öffnen | klein: min. 1.249 mm / max. 2.349 mm | 1.000 kg | 4.000 mm | klein: min. 1.249 mm / max. 2.349 mm | 4.000 mm | 1.695 / 2.795 | 1.327 / 2.427 | 700 / 400 | 1.297 | 116 |
| Konfiguration öffnen | mittel: min. 1.730 mm / max. 2.980 mm | 1.000 kg | 4.000 mm | mittel: min. 1.730 mm / max. 2.980 mm | 4.000 mm | 2.175 / 3.425 | 1.808 / 3.058 | 850 / 400 | 1.736 | 123 |
| Konfiguration öffnen | klein: min. 1.249 mm / max. 2.349 mm | 500 kg | 4.000 mm | klein: min. 1.249 mm / max. 2.349 mm | 4.000 mm | 1.695 / 2.795 | 1.327 / 2.427 | 700 / 400 | 1.297 | 109 |
| Konfiguration öffnen | mittel: min. 1.730 mm / max. 2.980 mm | 1.500 kg | 5.000 mm | mittel: min. 1.730 mm / max. 2.980 mm | 5.000 mm | 2.175 / 3.425 | 1.808 / 3.058 | 850 / 400 | 1.736 | 155 |
| Konfiguration öffnen | klein: min. 1.249 mm / max. 2.349 mm | 1.500 kg | 5.000 mm | klein: min. 1.249 mm / max. 2.349 mm | 5.000 mm | 1.695 / 2.795 | 1.327 / 2.427 | 700 / 400 | 1.297 | 148 |
| Konfiguration öffnen | hoch: min. 2.310 mm / max. 4.010 mm | 1.500 kg | 4.000 mm | hoch: min. 2.310 mm / max. 4.010 mm | 4.000 mm | 2.755 / 4.455 | 2.388 / 4.088 | 1.300 / 400 | 2.238 | 176 |
| Konfiguration öffnen | klein: min. 1.249 mm / max. 2.349 mm | 1.500 kg | 6.000 mm | klein: min. 1.249 mm / max. 2.349 mm | 6.000 mm | 1.695 / 2.795 | 1.327 / 2.427 | 700 / 400 | 1.297 | 159 |
| Konfiguration öffnen | mittel: min. 1.730 mm / max. 2.980 mm | 1.000 kg | 5.000 mm | mittel: min. 1.730 mm / max. 2.980 mm | 5.000 mm | 2.175 / 3.425 | 1.808 / 3.058 | 850 / 400 | 1.736 | 134 |
| Konfiguration öffnen | mittel: min. 1.730 mm / max. 2.980 mm | 1.000 kg | 8.000 mm | mittel: min. 1.730 mm / max. 2.980 mm | 8.000 mm | 2.175 / 3.425 | 1.808 / 3.058 | 850 / 400 | 1.736 | 192 |
| Konfiguration öffnen | mittel: min. 1.730 mm / max. 2.980 mm | 1.500 kg | 6.000 mm | mittel: min. 1.730 mm / max. 2.980 mm | 6.000 mm | 2.175 / 3.425 | 1.808 / 3.058 | 850 / 400 | 1.736 | 166 |
| Konfiguration öffnen | hoch: min. 2.310 mm / max. 4.010 mm | 1.500 kg | 5.000 mm | hoch: min. 2.310 mm / max. 4.010 mm | 5.000 mm | 2.755 / 4.455 | 2.388 / 4.088 | 1.300 / 400 | 2.238 | 210 |
| Konfiguration öffnen | hoch: min. 2.310 mm / max. 4.010 mm | 1.500 kg | 6.000 mm | hoch: min. 2.310 mm / max. 4.010 mm | 6.000 mm | 2.755 / 4.455 | 2.388 / 4.088 | 1.300 / 400 | 2.238 | 219 |
| Konfiguration öffnen | hoch: min. 2.310 mm / max. 4.010 mm | 1.000 kg | 8.000 mm | hoch: min. 2.310 mm / max. 4.010 mm | 8.000 mm | 2.755 / 4.455 | 2.388 / 4.088 | 1.300 / 400 | 2.238 | 245 |